AC TRIAC Controller – monochrom & DMX dimmbar – zwei Kanäle 1,2 A/ch – 100-240V Sunricher - Perfect RF
Der Sunricher AC TRIAC Dimmer Controller hat ein schlankes Design, das eine Vielzahl von Anwendungen sowohl im privaten als auch im gewerblichen Bereich ermöglicht.
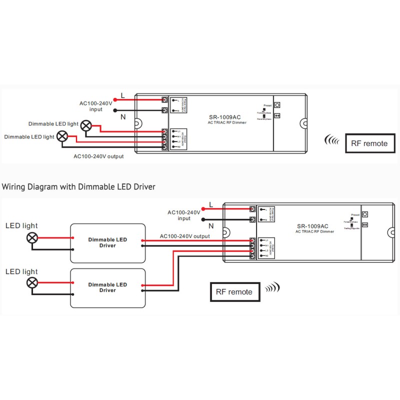
Über eine Fernbedienung kann dieses Steuergerät an das Stromnetz angeschlossene einfarbige LED-Leuchten einschalten, ausschalten oder dimmen.
Für ohmsche und kapazitive Lasten geeignet. Per TRIAC dimmbar.
Der Controller verfügt über zwei Kanäle (beide arbeiten zusammen) mit einer maximalen Belastung von 1,2 A pro Kanal:
Dimmbare LED-Lampen - Maximale Last: zwei Kanäle x 60W - 100V Ausgang, zwei Kanäle x 144W - 240V Ausgang. Aufgrund der Vielfalt der LED-Lampenkonstruktionen muss bei der Bestimmung der maximalen Anzahl von Lampen, die pro Kanal angeschlossen werden können, der Leistungsfaktor berücksichtigt werden.
Dimmbare LED-Treiber - Maximale Last: zwei Kanäle x 60W - 100V Ausgang, zwei Kanäle x 144W - 240V Ausgang. Die maximal zulässige Anzahl von Treibern pro Kanal beträgt 60W/144W geteilt durch die Nennleistung der Platine des Controllers.
Er eignet sich für den Einsatz in einer Zone oder in verschiedenen Zonen, in denen mehrere Empfänger verwendet werden.
Dieser RF-Controller verfügt außerdem über eine innovative, vom Benutzer einstellbare Funktion, die ein Dimmen von 0 bis 100 % Helligkeit ermöglicht.
Sie ist sowohl mit RF-Fernbedienungen als auch mit Wanddimmern (PERFECT RF) kompatibel. Wenn er an einen WLAN RF-Konverter angeschlossen ist, kann er zudem über eine App von jedem IOS- oder Android-Smartphone aus gesteuert werden.
| Wichtigste Produktmerkmale 
 | 
KOMPATIBLE FERNBEDIENUNGSMODELLE: SR-2819DIM, SR-2833K5, SR-2830A, SR-2833T1, SR-2833T2, SR-2833K1/K2, SR-2836R, SR-2836D, SR-2836NF, SR-2836D, SR-2836NF
ROHS
 
      Frage
Keine Fragen von Kunden für den Moment.
 
				   
															
								 
															
								.jpg) 
															
								.jpg) 
															
								 
								 
								 
															
								 
															
								 
								 
								 
															
								 
															
								.jpg) 
															
								 
															
								 
															
								 
															
								 
								 
								.jpg) 
															
								 
								 
								 
								 
								 
															
								 
															
								 
								 
															
								 
															
								 
								 
								 
															
								 
                                     
              
                       
              
                       
              
                       
             
             
             
             
           
				 
									 
									 
									 
									 
									