Regolatore monocolore dimmerabile - Dimmer RF TRIAC AC - 2 canali 1,2A/ch - 100-240VAC Sunricher - Perfect RF
Il regolatore Sunricher AC TRIAC Dimmer ha un design sottile che consente molteplici usi in ambienti domestici e commerciali.
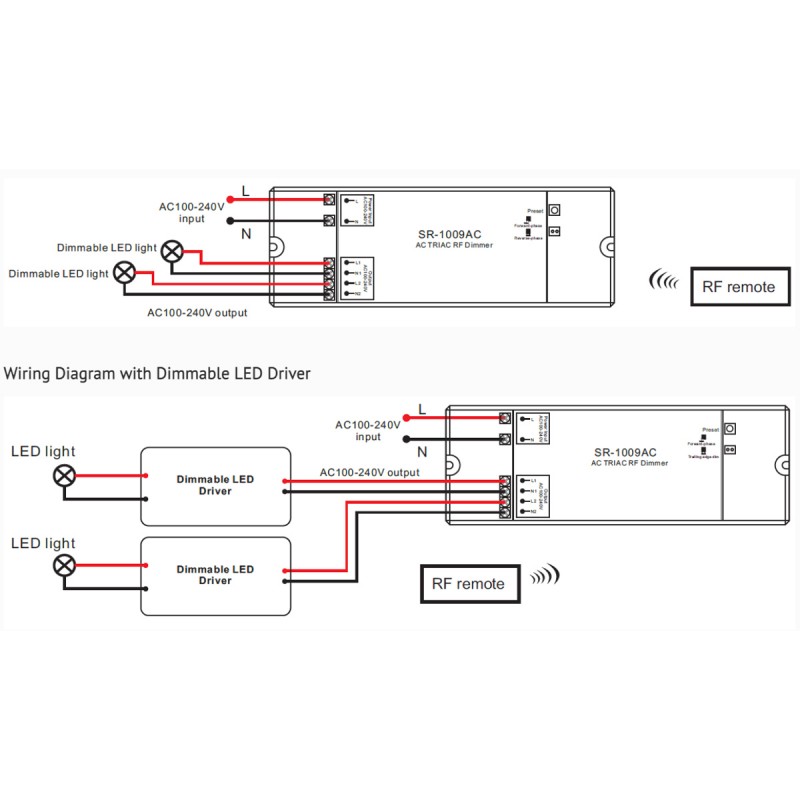
Tramite un telecomando, questo controller può accendere, spegnere o dimmerare apparecchi LED monocolore collegati alla rete.
Supporta carichi resistivi e capacitivi ed è dimmerabile TRIAC.
Dispone di due canali (entrambi funzionano insieme) con un carico massimo di 1,2 A per canale:
Lampade LED dimmerabili: carico massimo 2 canali x 60W - uscita 100V, 2 canali x 144W - uscita 240V. A causa della varietà di design delle lampade LED, il numero massimo di lampade LED per canale dipende anche dal fattore di potenza in uscita quando è collegato a un dimmer.
Driver LED dimmerabili: carico massimo 2 canali x 60W - uscita 100V, 2 canali x 144W - uscita 240V. Il numero massimo consentito di driver per canale è 60W/144W diviso per la potenza nominale della scheda madre.
È adatto all'uso in una singola zona o in zone diverse in cui vengono utilizzati più ricevitori.
Questo controller RF è inoltre dotato di un'innovativa funzione di luminosità minima regolabile dall'utente che consente di regolare la luminosità da 0 a 100%.
È compatibile sia con i telecomandi RF che con i dimmer a parete (PERFECT RF). Inoltre, se collegato a un convertitore WIFI-RF, può essere controllato tramite un'app da qualsiasi smartphone IOS o Android.
| Caratteristiche principali del prodotto 
 | 
MODELLI DI TELECOMANDO COMPATIBILI: SR-2833K5, SR-2833K1/K2, SR-2836R.
ROHS
 
      Domanda
Non ci sono domande dei clienti per il momento.
 
				   
															
								 
								 
								 
															
								 
															
								 
								 
								 
															
								 
															
								.jpg) 
															
								 
															
								 
								 
								 
															
								 
								 
								.jpg) 
															
								 
								 
								 
								 
								 
															
								 
															
								 
								 
															
								 
															
								 
								 
								 
															
								 
                                     
              
                       
              
                       
              
                       
             
             
             
             
           
				 
									 
									 
									 
									 
									